Laufen vyrovnávací hmota pro instalaci keramických kusů
03. 11. 2025 u vás
Podzimní slevy - uplatňujte slevy až 10 % na vybrané výrobky. Více info ZDE. + při nákupu nad 2 000 Kč balíková přeprava DPD po celé ČR ZDARMA.
Kdy zboží dostanu?
Doprava zdarma
11 192 Kč s DPH

- 110.302.00.5 - podomítkového modulu Geberit Kombifix Eco
- 115.882.KJ.1 - Geberit Sigma20 Round, bílá/chrom lesk
- H8660800000001 - závěsného rimless klozetu Laufen Lua a sedátka se SoftClose poklopem Laufen Lua
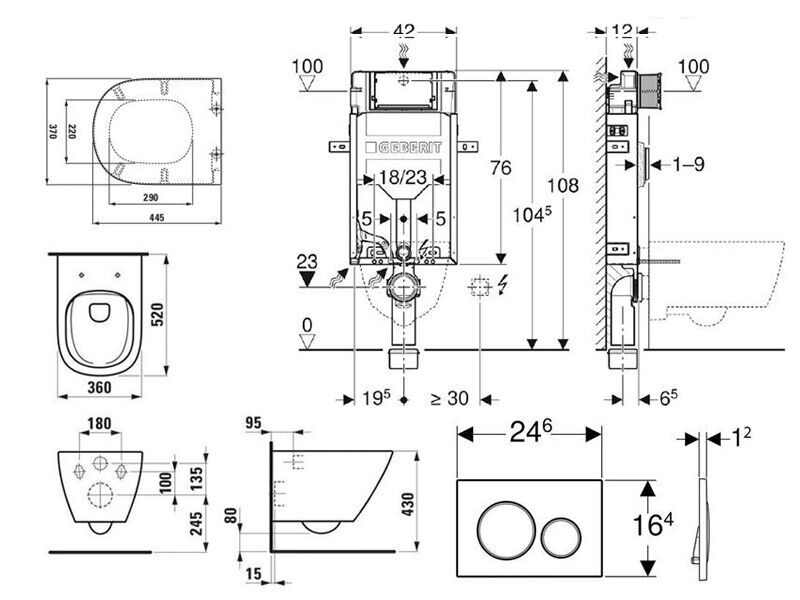
Modul o rozměrech 42 x 21 x 108 cm je určen pro instalaci do zděné stěny. Modul je vybaven systémem duálního splachování, který je továrně nastaven pro splachování 6 nebo 3 litry vody. Množství splachované vody je možno u velkého splachování nastavit v rozsahu 4,5 / 6 / 7,5 l a u malého splachování 3-4 l vody, splachování je rovněž možno využít v režimu Start/Stop. Tlak při průtoku se pohybuje v rozmezí 10-1000 kPa a maximální provozní teplota vody činí 25 °C. Montážní rám modulu je ošetřen práškovou barvou, která jej dlouhodobě chrání a do podkladu se modul upevňuje pomocí čtyř upevňovacích úhelníků. Modul je vybaven krytem, který chrání před vlhkostí a nečistotami. Součástí modulu je splachovací nádržka pod omítku Sigma, která je izolovaná proti orosování a vybavena ovládáním zepředu. Přívod vody do modulu je ve standardu R 1/2" a připojovací souprava pro propojení s WC je o průměru 9 cm.
Závěsný klozet ze sanitární keramiky o rozměrech 52x36x34,5 cm je opatřen bílou povrchovou úpravou. Klozet umožňuje hluboké splachování pro dokonalý oplach mísy a je vybaven unikátní technologií Rimless, která díky absenci oplachového kruhu zajišťuje snadnou údržbu a perfektní hygienu pouze za pomoci hadříku bez potřeby použití čistících prostředků.
Série ovládacích tlačítek Geberit Sigma20 se vyznačuje jednoduchostí a účelností. Základním designovým prvkem je kruh, protože oblé křivky uvolňují mysl. Kruh je sám o sobě dokonalým tvarem, nelze vylepšit, ale je možné jej neotřele uchopit. Kontrastní kroužky a jemně opracované hrany tlačítek tvoří harmonický celek.
Tlačítka jsou vyrobena z vysoce kvalitního plastu, k dispozici je i varianta z nerezové oceli.
K sérii tlačítek Sigma20 lze dokoupit soupravu pro vhazování WC tablet DuoFresh a je možno ji kombinovat s odsáváním zápachu DuoFresh.
Napište vlastní dotaz nebo komentář »
Ke zboží „Geberit + Laufen Set předstěnové instalace Kombifix + rimless klozet a sedátko se SoftClose Laufen Lua + tlačítko Sigma20 Round, bílá/chrom lesk ještě nikdo nenapsal komentář. Buďte první!
| Montáž: | pro zabudování do zdi |
|---|---|
| Technologie splachování: | bez splachovacího kruhu |
| Typ sedátka: | s pomalým sklápěním (softclose) |
| Barva tlačítka: | chrom |
| Design tlačítek: | kulatá |