
Geberit Kombifix sada podpěr
13. 10. 2025 u vás
Podzimní slevy - uplatňujte slevy až 10 % na vybrané výrobky. Více info ZDE. + při nákupu nad 2 000 Kč balíková přeprava DPD po celé ČR ZDARMA.
Nevíte si rady při výběru závěsného klozetu a potřebných doplňků? Vyřešili jsme to za Vás! Přinášíme vám výhodný WC set složený z podomítkového modulu Geberit Kombifix,soupravy pro tlumení hluku, závěsného klozetu kielle Oudee se sedátkem SoftClose a splachovacího tlačítka Geberit Sigma01 v barevném provedení bílá.
Více informacíKdy zboží dostanu?
Doprava zdarma
Set obsahuje
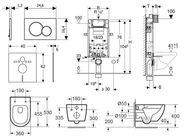
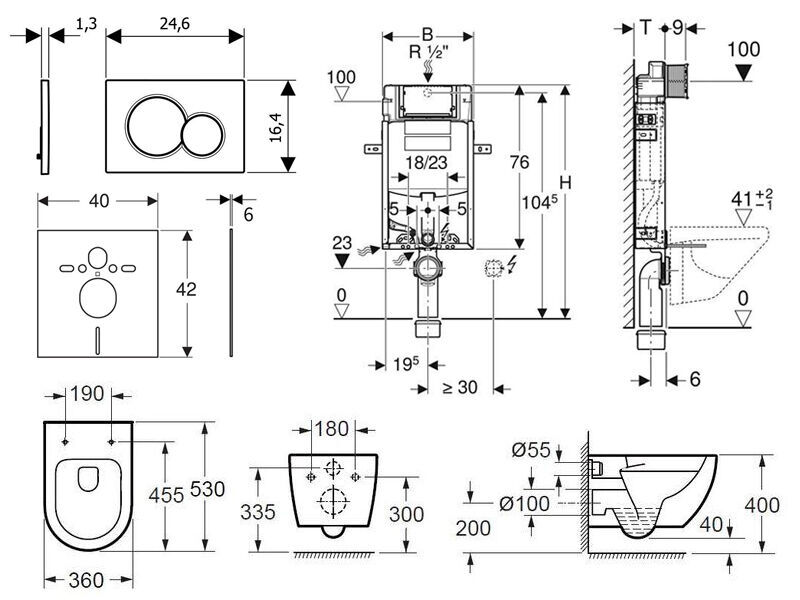
Předstěnový instalační modul Kombifix pro závěsné WC se splachovací nádržkou Sigma 12 cm
Vlastnosti a technické údaje
Rozsah dodávky
Závěsné WC Oudee
WC sedátko
Ovládací tlačítko Sigma01, pro 2-činné splachování
Protihluková sada
Napište vlastní dotaz nebo komentář »
Ke zboží „Geberit Kombifix - Set předstěnové instalace, klozetu Oudee a sedátka softclose, tlačítko Sigma01, alpská bílá SANI15CA3110 ještě nikdo nenapsal komentář. Buďte první!
Barva: | bílá |
---|---|
Materiál: | sanitární keramika |
Odpad: | vodorovný |
Typ: | závěsný |
Tvar: | oblý |
Speciální vlastnosti: | bez povrchové úpravy pro snadnou údržbu,skryté upevnění (kapotovaný) |
Technologie a typ splachování: | hluboké,bez splachovacího kruhu |
Vybavení: | včetně sedátka se SoftClose |
Technologie splachování: | bez splachovacího kruhu |
Typ sedátka: | s pomalým sklápěním (softclose) |
Barva tlačítka: | bílá |
Design tlačítek: | kulatá |
Šířka: | 36 cm |
Délka: | 53 cm |