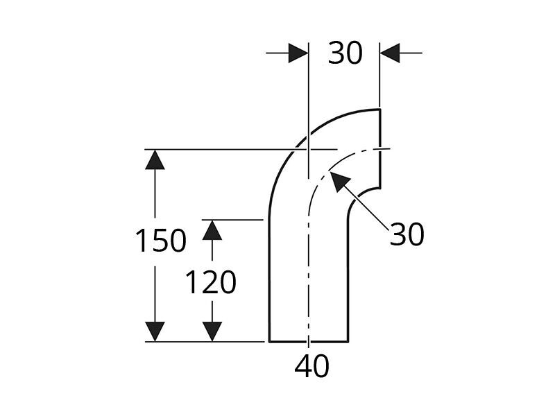
Geberit PE redukce excentrická, krátká, d=56mm, d1=50mm
skladem
pozítří u vás
pozítří u vás
363.561.16.1
Rekonstrukce s vůní jara - uplatňujte slevy až 10 % na vybrané výrobky. Více info ZDE. Při nákupu nad 2 000 Kč balíková přeprava DPD na vybrané produkty po celé ČR ZDARMA.

Napište vlastní dotaz nebo komentář »
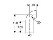
Ke zboží „Geberit PE koleno s dlouhým ramenem, 90°, d=40mm ještě nikdo nenapsal komentář. Buďte první!